Welcome to web site...

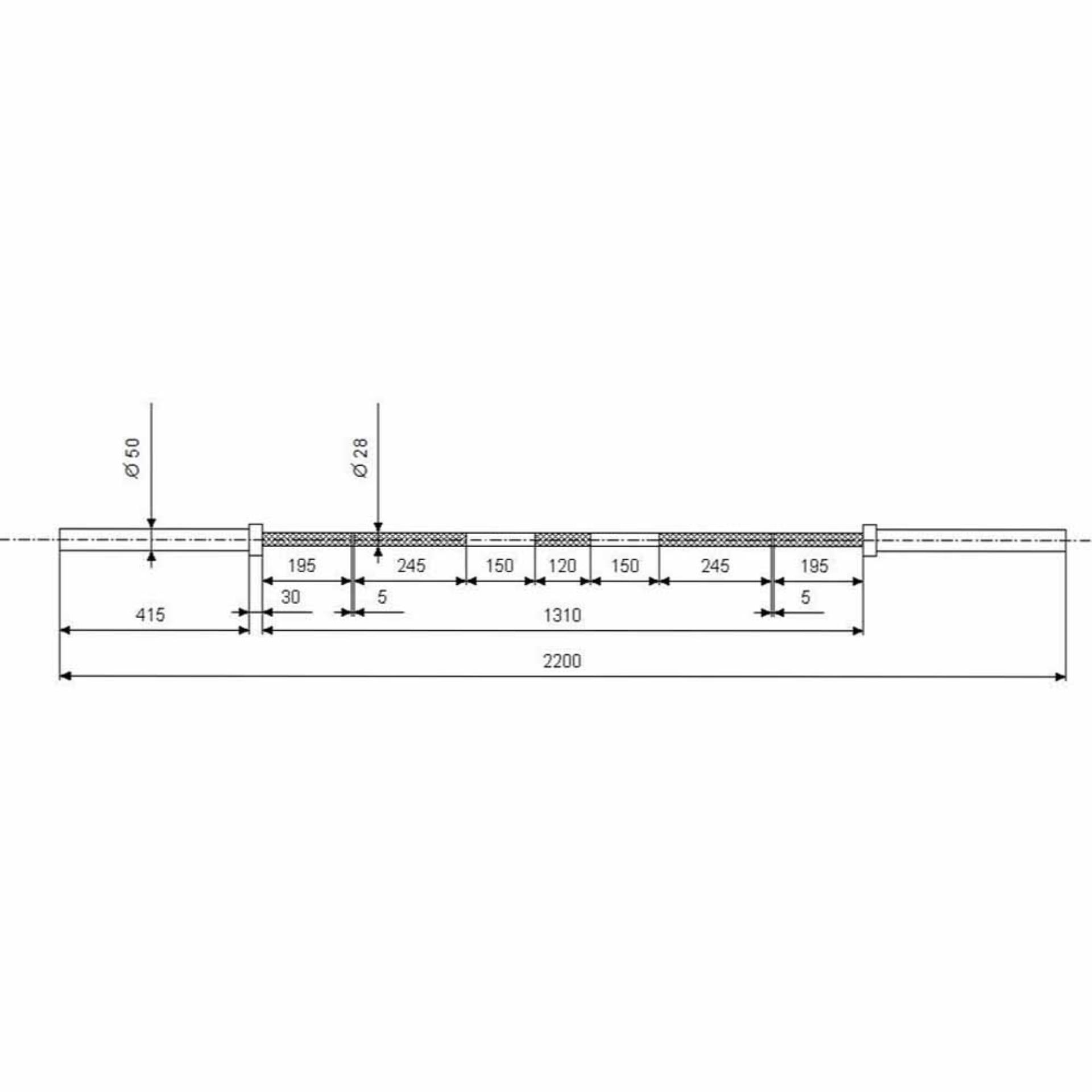
CROSSFIT COMPETITION MEN BARBELL 20 KG

CROSSFIT COMPETITION MEN BARBELL 20 KG

The men's bar will be made of special alloy steel with a diameter of 28 mm, designed to withstand 1500 kg of pressure and breakage.
The athlete's grip areas will be knurled to a depth of 1.2 microns and coated with nickel chrome to prevent rust.
There will be five bearings on each side, along with steel washers and rings. The rotating steel sleeve will also be coated with nickel chrome to resist rust.
On both sides of the bar, there will be rotating steel sleeves with a length of 445 mm and a diameter of 50 mm for attaching and working with weight plates.
The dimensions of the men's bar are 2200 mm in length, and the weight must be 20 kg +5 g -0.

 %>